Skip to main content

Some old images of AlSc alloy (aluminium-scandium)

junction.jpg

Micro milling to make atom probe samples.

x650final_002.jpg

Using focus ion beam to micro mill a TEM sample

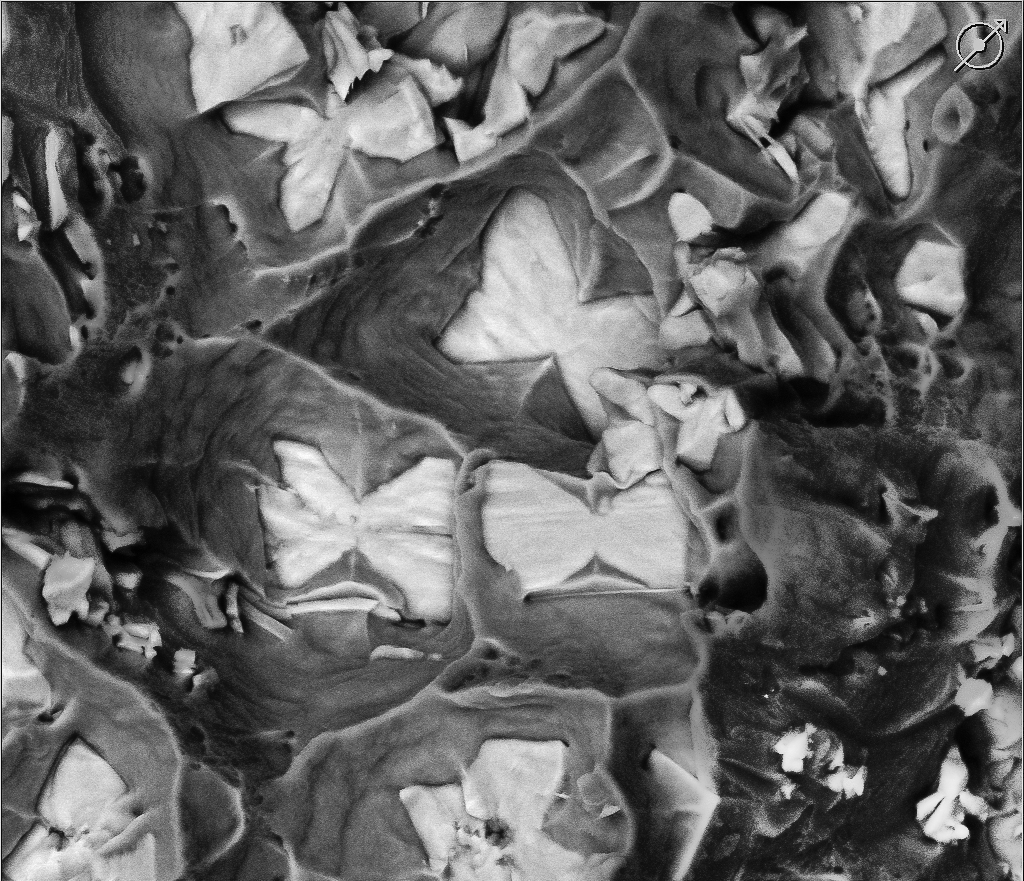
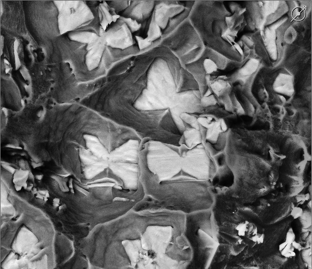
low-x2500-bs.jpg

Microstructure of AlSc SEM image

DacianAlSc.jpg

Microstructure of AlSc - SEM image

x1000-bs.jpg

More AlSc SEM image.